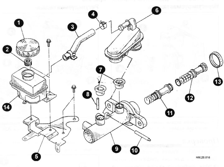
Элементы главного тормозного цилиндра автомобилей без VDC
1 — крышка бачка; 2 — сетчатый фильтр; 3 — шланг и хомут; 4 — хомут; 5 — кронштейн; 6 — бачок; 7 — втулка; 8 — стопор поршня; 9 — корпус главного тормозного цилиндра; 10 — штифт; 11 — второй поршень в сборе; 12 — первый поршень в сборе; 13 — колпачок стопора; 14 — дополнительный бачок.
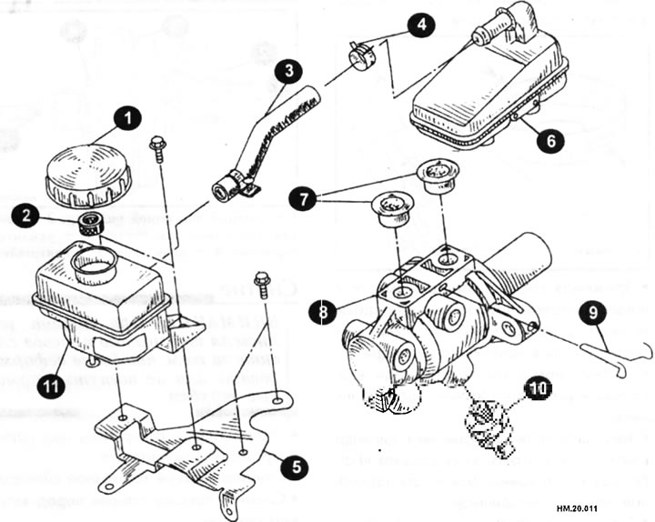
Элементы главного тормозного цилиндра автомобилей с VDC
1 — крышка бачка; 2 — сетчатый фильтр; 3 — шланг и хомут; 4 — хомут; 5 — кронштейн; 6 — бачок; 7 — втулка; 8 — главный тормозной цилиндр; 9 — зажим; 10 — датчик давления; 11 — дополнительный бачок.
(Статья была скопирована отсюда www.NissanBook.ru)
Снятие
Внимание: При утечке жидкости из главного цилиндра, разберите его и проверьте манжеты поршней на наличие деформаций или задиров. Замените дефектные детали.
- Наденьте виниловые трубки на клапаны для выпуска воздуха и слейте тормозную жидкость из системы, нажимая педаль тормоза до тех пор, пока главный цилиндр не будет пуст.
- Снимите воздухоочиститель и воздуховод.
- Отсоедините штекеры жгутов проводов датчика уровня тормозной жидкости и датчика давления (только модели с VDC).
- С помощью специального ключа с разрезом для накидных гаек отсоедините тормозные трубки от главного тормозного цилиндра.

- Открутите гайку крепления главного тормозного цилиндра, болт крепления бачка для тормозной жидкости и снимите главный тормозной цилиндр с автомобиля.
Разборка
Внимание: Снятие бачка производится лишь в случае крайней необходимости.
Модели без VDC
- С помощью отвертки с плоским жалом отогните язычки на колпачке стопора так, как показано на рисунке, и снимите стопор с главного цилиндра. При этом поршень, находящийся внутри главного цилиндра, может выскочить из цилиндра, поэтому колпачок необходимо придерживать.

- Установите боковой фланец корпуса цилиндра со скосом вокруг отверстия для штифта так, чтобы он был направлен вверх, и надежно зажмите главный цилиндр в тисках.
Внимание: При закреплении главного тормозного цилиндра в тисках не зажимайте тиски слишком сильно.
- Для защиты корпуса цилиндра воспользуйтесь подкладками из меди или тряпками.

- С помощью пробойника (диаметром около 4 мм) выбейте штифт крепления бачка.

- Выньте главный тормозной цилиндр из тисков.
- Снимите из корпуса цилиндра бачок и втулки.
- С помощью отвертки с плоским жалом прижмите поршень внутрь и снимите стопор поршня из корпуса цилиндра.
- Осторожно вытащите первый поршень наружу, стараясь не повредить внутренние стенки цилиндра.

- Постучите фланцем главного тормозного цилиндра по деревянному бруску и осторожно вытащите второй поршень так, чтобы не повредить внутренние стенки цилиндра.

Модели с VDC
- Главный тормозной цилиндр разобрать невозможно.
- Снимите зажим (2) (см. рис. НМ.20.017).
- Снимите с корпуса главного тормозного цилиндра (1) бачок для тормозной жидкости и втулки.

Проверка
- Проверьте внутренние стенки цилиндра и отверстия для штифтов на наличие повреждений, потертостей, следов коррозии. При обнаружении повреждений замените главный тормозной цилиндр.
Сборка
Внимание: Для очистки и при сборке цилиндра никогда не пользуйтесь жидкостями на минеральной основе, такими как керосин и бензин.
- Проверьте, что на стенки цилиндра, поршни или на уплотнение колпачка не попали посторонние частицы, грязь и пыль. При сборке будьте осторожны, чтобы не повредить детали инструментами.
- Не роняйте детали. Если деталь упала, не используйте ее в дальнейшей сборке.
Модели без VDC
- Нанесите свежую тормозную жидкость на стенки отверстия главного тормозного цилиндра и на контактные поверхности поршней. Затем вставьте в цилиндр сначала новый второй поршень, а затем новый первый поршень.

- Заменяйте детали цилиндра новыми, не разбирая их.
- При установке колпачка поршня следите за его расположением и вставляйте колпачок ровно, чтобы он не задевал стенку отверстия цилиндра.

- Проверьте визуально перемещение второго поршня через отверстие для бачка для тормозной жидкости, расположенное на «второй» стороне корпуса цилиндра, и вставьте стопор поршня.

- Прижимая первый поршень вместе с новым колпачком стопора вниз, придавите выступы на колпачке так, чтобы они плотно вошли в канавки на цилиндре.
- Смажьте новые втулки тормозной жидкостью и установите втулки в корпус цилиндра.
- Закрепите главный тормозной цилиндр в тисках так, как описано в разделе «Разборка» и установите бачок для тормозной жидкости на цилиндр.
- С помощью пробойника (диаметром около 4 мм) забейте новый штифт крепления бачка для тормозной жидкости в отверстие для штйфта так, чтобы он одинаково располагался с обеих сторон цилиндра.

Внимание: Втулка бачка для тормозной жидкости повторному использованию не подлежит.
Модели с VDC
- Смажьте втулку тормозной жидкостью и вставьте ее в корпус главного тормозного цилиндра. Втулка повторному использованию не подлежит.
- Установите бачок для тормозной жидкости на корпус главного тормозного цилиндра.
- Вставьте зажим.
Установка
- Установка производится в последовательности, обратной снятию.
- После установки залейте тормозную жидкость и удалите воздух из тормозов.
Внимание: Заливайте в бачок только свежую тормозную жидкость спецификации «DОT3»- Слитая из системы тормозная жидкость повторному использованию не подлежит.