1 — главный тормозной цилиндр; 2 — бачок для тормозной жидкости; 3 — усилитель тормозов; 4 — прокладка; 5 — контргайка.
Снятие
Внимание: При снятии усилителя тормозного привода следите за тем, чтобы не деформировать или не погнуть тормозные трубки.
- Если штифт с отверстием под шплинт поврежден, замените его.
- Снимите главный тормозной цилиндр.
- Снимите крышку панели перед ветровым стеклом.
- Снимите вакуумный шланг с усилителя тормозов.
- В салоне автомобиля снимите с педали тормоза шплинт и штифт с отверстием.
- Снимите с передней панели кронштейн тормозной трубки.
- Открутите гайки с усилителя тормозов и тормозной педали.
- Снимите усилитель тормозов с передней панели.
Проверка
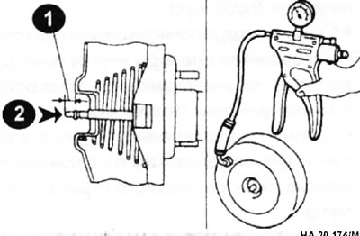
- Измерьте длину выходного толкателя, создав в усилителе разрежение -66,7 кПа (-500 мм рт.ст.).
1 — длина выходного толкателя; 2 — преднатяг.
Стандартная длина выходного толкателя при вакууме -66,7 кПа (-500 мм рт.ст.).
Статья была скопирована отсюда: Nissanbook.ru
- Модели без VDC - 1 0,4 мм.
- Модели cVDC - (-15,7) мм.
Установка

- Перед установкой усилителя отрегулируйте общую длину толкателя (1), как показано на рисунке.
- После регулировки длины для установки усилителя тормозов на автомобиль временно затяните контргайку (2). На этом этапе проверьте, что между усилителем и передней панелью установлена прокладка.
- Будьте осторожны и не повредите резьбу шпилек усилителя тормозов. Если при установке усилитель тормозов наклоняется или перекашивается, резьба может быть повреждена частями передней панели.
- Устанавливайте контрольный клапан (если снимался) в правильном направлении.
- Подсоедините педаль тормоза к скобе входного толкателя с помощью штифта.
- Установите гайки крепления кронштейна педали и затяните их требуемым моментом.
- Установите главный тормозной цилиндр на усилитель тормозов.
- Отрегулируйте высоту и люфт педали тормоза.
- Затяните контргайку на входном толкателе требуемым моментом.
- Установите вакуумный шланг на усилитель тормозов.
- Установите кронштейн тормозной трубки на переднюю панель.
- Установите крышку панели перед ветровым стеклом.
- Залейте свежую тормозную жидкость и удалите воздух из тормозов.