NissanBook.ru
Автомобили Land Rover Автомобили Ford Автомобили Volkswagen Автомобили Skoda Автомобили LADA Автомобили Renault Автомобили Peugeot
Русский English
Български
Беларускі
Український
Српски
Hrvatski
Română
Polski
Slovenský
Magyar
В закладки Статьи Карта Контакты Поиск:
 
 
 
 
 
 
 
 
 
 
 
 
Almera Maxima Murano Pathfinder Patrol Primera Qashqai Serena Sunny Teana X-Trail Другие
Мурано 1 (2002-2007, бензин)
  • Главная
  • Мурано
  • Z50 (2002-2007)
  • Силовой агрегат
  • Система охлаждения
  • Радиатор — снятие, промывка и установка

Радиатор — снятие, промывка и установка (Nissan Murano Z50)

0
Оглавление: Снятие ↓ Промывка ↓ Установка ↓

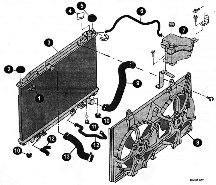
Установочные элементы радиатора



1 — верхний зажим радиатора; 2, 5 — монтажная резинка; 3 — радиатор; 4 — крышка радиатора; 6 —…

1 — верхний зажим радиатора; 2, 5 — монтажная резинка; 3 — радиатор; 4 — крышка радиатора; 6 — шланги расширительного бачка; 7 — расширительный бачок; 8 — вентилятор системы охлаждения; 9 — нижний шланг радиатора; 10 — монтажная резинка; 11 — сливная пробка радиатора; 12 — шланг масляного радиатора автоматической КПП; 13 — верхний шланг радиатора.


Единственной причиной, по которой требуется снять радиатор, является замена его новым или ремонт утечки. Если радиатор требует постоянной доливки жидкости, с утечку не удается обнаружить ни в шлангах, ни в радиаторе, виновником, возможно, является крышка радиатора. Крышку можно проверить на герметичность, как описано выше в соответствующем разделе. Если герметичная крышка неисправна, ее следует заменить. Однако если крышка была неисправна, и вы заменили ее, продолжайте следить за уровнем жидкости. Система снова находится под давлением, и утечки могут возникнуть совершенно внезапно.

Если крышка радиатора в нормальном состоянии, а охлаждающая жидкость, тем не менее, убывает без видимых утечек снаружи, проблема действительно серьезна. Это может быть вызвано дефектом прокладки головки блока цилиндров. На этой стадии следует проконсультироваться у специалиста.


Если радиатор течет, замените его новым или восстановленным. Если радиатор отремонтирован владельцем или в мастерской, его следует испытать под давлением не менее 1,5 бар. Чтобы сделать это, закройте выпускной канал подходящей заглушкой и через другой канал подайте в радиатор сжатый воздух под давлением 1,5 бар. Погрузите радиатор в ванну с водой, имеющую температуру 90°C. Оставьте его на 15 минут и снова-подайте давление 1,5 бар. Следите, не появятся ли пузырьки, указывающие на утечки. Если радиатор не был испытан после ремонта под давлением, после установки за ним следует очень внимательно следить в течение нескольких недель, чтобы вовремя обнаружить возможные утечки.

Снятие


  • Отсоедините отрицательный провод от аккумуляторной батареи.


Внимание: При этом из памяти бортового компьютера стирается информация о неисправностях.

  • Снимите нижний кожух двигателя.
  • Слейте охлаждающую жидкость, как описано в соответствующем разделе главы «Техническое обслуживание».

Внимание: Сливайте жидкость только на холодном двигателе.

  • Снимите воздуховод и решетки радиатора.
  • Отсоедините шланги масляного радиатора рабочей жидкости АКПП. Для предотвращения утечек рабочей жидкости заглушите отверстия.
  • Снимите расширительный бачок и его кронштейн.
  • Отсоедините верхний и нижний шланги радиатора, предварительно ослабив хомуты их крепления.
  • Снимите аккумуляторную батарею и ее поддон и сдвиньте блок предохранителей в сторону.
  • Расстыкуйте штекерное соединение вентилятора радиатора.
  • Снимите вентилятор системы охлаждения.
  • Снимите верхние зажимы радиатора, предварительно потянув за язычки наружу (стрелки) для их освобождения. Не тяните язычки слишком сильно, иначе их можно повредить.
  • Снимите монтажные резинки с установочных штифтов находящихся на радиаторе.

1 — монтажная резинка; 2 — установочный штифт; 3 — верхний зажим радиатора; 4 — язычок.

1 — монтажная резинка; 2 — установочный штифт; 3 — верхний зажим радиатора; 4 — язычок.



  • Теперь ничто не мешает снять радиатор с автомобиля.
  • Поднимите радиатор и вместе с помощником снимите его.

Внимание: При снятии радиатора не повредите конденсатор, кондиционера и ребра радиатора.


Внимание: Если радиатор остается снятым более чем на 48 часов, необходимо промыть радиатор чистой водой, просушить сжатым воздухом и закрыть отверстия. Радиатор может также храниться заполненным охлаждающей жидкостью с закрытыми отверстиями.


Промывка


  • Промойте радиатор, т.к. радиатор снят с автомобиля, промойте его также и в обратном направлении. Промойте радиатор снаружи из шланга сильной струей воды. Если есть подозрение, что радиатор частично засорен, до снятия с автомобиля промойте его химическим раствором. Если ничего не изменилось, проверьте, нормально ли проходит вода через радиатор. За полминуты должно проходить 20-25 литров.
  • Течи, которые видны снаружи, обычно можно устранить пайкой, но течи в вертикальных трубках, как правило, недоступны. Можно временно устранить течь с помощью специальных добавок к охлаждающей жидкости или, покрыв часть радиатора специальной мастикой. Однако лучше заменить радиатор.


Данные скопированы с веб-ресурса Nissanbook.ru

Установка



Установка радиатора производится в порядке, обратном снятию с учетом следующего:
  • Установите монтажные резинки на установочные штифты радиатора.
  • Совместите верхний зажим радиатора с местом для его установки, а затем вставьте зажим в ребра радиатора так, чтобы зажим защелкнулся.
  • Убедитесь визуально, что два верхних зажима радиатора подсоединены к ребрам радиатора.
  • Для проверки надежности соединения переместите верхние зажимы радиатора и сам радиатор вперед-назад.
  • Проверьте, не потрескались ли шланги радиатора, при необходимости замените их.
  • Затяните болты крепления вентилятора радиатора, расширительного бачка моментом 3,9-4,5 Н·м.
  • Установите новое уплотнительное кольцо под сливную пробку радиатора и затяните пробку моментом 0,78-1,56 Н·м.


Эта статья доступна на: английском, болгарском, белорусском, украинском, сербском, хорватском, румынском, польском, словацком, венгерском
Статья была проверена: Филатов Макар
Отправить эту информацию вашим друзьям:

◀ Предыдущие
Мурано 1: Система охлаждения
Следующие ▶

Система охлаждения — проверка герметичности
Электродвигатель вентилятора — снятие и установка
Водяной насос — снятие и установка
Термостат — снятие, установка и проверка
Термовыключатель — проверка
Поиск и устранение неисправностей в дороге
Схожая информация для других моделей Ниссан

➜ Радиатор и расширительный бачок — снятие, проверка и… Ниссан Блюберд Т12 (1986-1991)
➜ Радиатор — снятие, установка и заполнение Ниссан Альмера 1 (1995-2000)
➜ Радиатор отопителя — снятие и установка Ниссан Санни 7 (1990-1998)
➜ Радиатор — снятие и установка Ниссан Террано 1 (1986-1995, бензин)
➜ Радиатор — снятие и установка (CR) Ниссан Ноут 1 (2004-2013)
➜ Радиатор — снятие и установка Ниссан Серена 2 (1999-2005)
Ссылка в разных форматах на эту статью
TEXTHTMLBB Code
Комментарии и отзывы посетителей
Комментариев пока нет


Сколько будет 20 + 42 ?

       





Мурано 1 (2002-2007, бензин) 
  • Общая информация
  • Введение в руководство
  • Техническое обслуживание
  • Силовой агрегат
  • Бензиновые двигатели
  • Капремонт двигателя
  • Система смазки
  • Система охлаждения
  • Топливная система
  • Управление двигателем
  • Выхлопная система
  • Трансмиссия
  • Вариатор (CVT)
  • Раздаточная коробка
  • Приводные валы
  • Задний мост
  • Шасси
  • Передняя подвеска
  • Задняя подвеска
  • Рулевое управление
  • Колеса и шины
  • Тормозная система
  • Кузов
  • Элементы кузова
  • Электрооборудование
  • Силовые устройства
  • Освещение и сигнализация
  • Оборудование и приборы
  • Электрические схемы
Автомобильный анекдот:
следующий анекдот
NissanBook.ru © 2018–2025 · Мобильная версия · Статьи о Ниссане · Карта сайта: EN BG BY UA RS HR RO PL SK HU · Обратная связь · Поиск по сайту · В закладки
Альмера 1 (N15) · Максима 4 (A32) · Мурано 1 (Z50, бензин) · Террано 1 (бензин) · Патрол 4 (Y60, бензин) · Примера 1 (P10, бензин) · Кашкай 1 (J10) · Серена 2 (C24) · Санни 7 (B13) · Блюберд Т12 () · Х-Трейл 2 (T31, бензин) · Ноут 1 · Микра 3 (бензин) · Автомобильные новости · Устройство автомобилей · ТО японских автомобилей · Электронные системы управления · Ремонт карбюраторов