Русский
English
Български
Беларускі
Український
Српски
Hrvatski
Română
Polski
Slovenský
Magyar
В закладки
Статьи
Карта
Контакты
Поиск:
Almera
Maxima
Murano
Pathfinder
Patrol
Primera
Qashqai
Serena
Sunny
Teana
X-Trail
Другие
Максима 4
(1994-1999)
Главная
Максима
A32
(1994-1999)
Электрооборудование
Электрические схемы
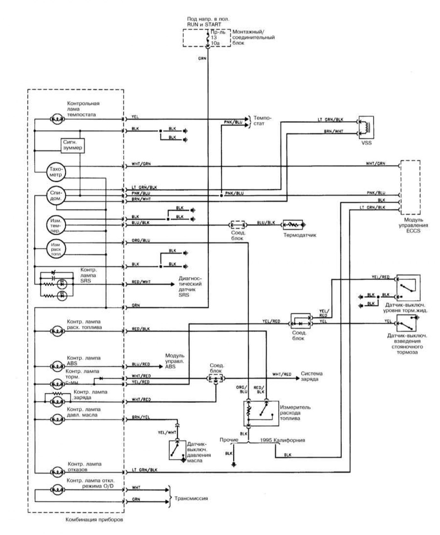
Контрольные лампы и измерители (1995-1997)
Контрольные лампы и измерители (1995-1997)
(Nissan Maxima A32)
0
Контрольные лампы и измерители (1995-1997)
Открыть большую картинку в новой вкладке »
Используемые на электрических схемах аббревиатуры, обозначения электропроводки, выводов и клемм смотрите
здесь →
Эта статья доступна на:
английском
,
болгарском
,
белорусском
,
украинском
,
сербском
,
хорватском
,
румынском
,
польском
,
словацком
,
венгерском
Статья была проверена:
Артамонов Виктор
Отправить эту информацию вашим друзьям:
◀ Предыдущие
Максима 4: Электрические схемы
Следующие ▶
Контрольные лампы и измерители (1993, 1994) без потолочного дисплея
Контрольные лампы и измерители (1993, 1994) с потолочным дисплеем
Система внутреннего освещения (1998, 1999)
Система внутреннего освещения (1995-1997)
Система внутреннего освещения (1993, 1994)
Контрольные лампы и измерители (1998, 1999)
Система управления скоростью (1993, 1994)
Система управления скоростью (1995)
Система управления скоростью (1996-1999)
Системы отопления и кондиционирования воздуха с ручным управлением (1993, 1994)
Схожая информация для других моделей Ниссан
➜ Контрольные лампы
Ниссан Блюберд Т12 (1986-1991)
➜ Контрольные лампы, индикаторы, звуковые предупреждающие…
Ниссан Х-Трейл 2 (2007-2013, бензин)
➜ Контрольные лампы, индикаторы, звуковые предупреждающие…
Ниссан Ноут 1 (2004-2013)
➜ Освещение салона, контрольные лампы, звуковой сигнал,…
Ниссан Санни 7 (1990-1998)
➜ Контрольные лампы
Ниссан Серена 2 (1999-2005)
➜ Контрольные размеры и регулировочные данные автомобиля
Ниссан Мурано 1 (2002-2007, бензин)
Ссылка в разных форматах на эту статью
TEXT
HTML
BB Code
Статья о ремонте японских автомобилей Ниссан Максима 4 (1994-1999): Контрольные лампы и измерители (1995-1997): https://www.nissanbook.ru/Maxima/A32/electrics/schemes/kontrolnye-lampy-i-izmeriteli-1995-1997
Ниссан Максима 4 (1994-1999): Контрольные лампы и измерители (1995-1997)
- статья на сайте www.NissanBook.ru о ремонте японских автомобилей компании Nissan.
[url=https://www.nissanbook.ru/Maxima/A32/electrics/schemes/kontrolnye-lampy-i-izmeriteli-1995-1997]Ниссан Максима 4 (1994-1999): Контрольные лампы и измерители (1995-1997)[/url] - статья на сайте www.NissanBook.ru о ремонте японских автомобилей компании Nissan.
Комментарии и отзывы посетителей
Комментариев пока нет
Сколько будет 12 + 19 ?
Максима 4
(1994-1999)
Общая информация
Введение в руководство
Инструкция по эксплуатации
Техническое обслуживание
Силовой агрегат
Двигатели SOHC
Двигатели DOHC
Капремонт двигателей
Охлаждение и отопление
Системы питания и выпуска
Электрооборудование двигателя
Системы управления
Трансмиссия
Механическая коробка
Автоматическая коробка
Сцепление и приводные валы
Шасси
Тормозная система
Подвеска автомобиля
Рулевое управление
Кузов
Экстерьер (внешние элементы)
Интерьер (внутренние элементы)
Двери, замки и окна
Электрооборудование
Оборудование и приборы
Электрические схемы
Автомобильный анекдот:
следующий анекдот
Для улучшения работы сайта используются cookie. 💻 Продолжайте, соглашаясь с условиями.
Продолжить