NissanBook.ru
Автомобили Land Rover Автомобили Ford Автомобили Volkswagen Автомобили Skoda Автомобили LADA Автомобили Renault Автомобили Peugeot
Русский English
Български
Беларускі
Український
Српски
Hrvatski
Română
Polski
Slovenský
Magyar
В закладки Статьи Карта Контакты
 
 
 
 
 
 
 
 
 
 
 
 
Almera Maxima Murano Pathfinder Patrol Primera Qashqai Serena Sunny Teana X-Trail Другие
Санни 7 (1990-1998)
  • Главная
  • Санни
  • B13 (1990-1998)
  • Электрооборудование
  • Электрические схемы
  • Типовая схема электрооборудования двигателей серии DE

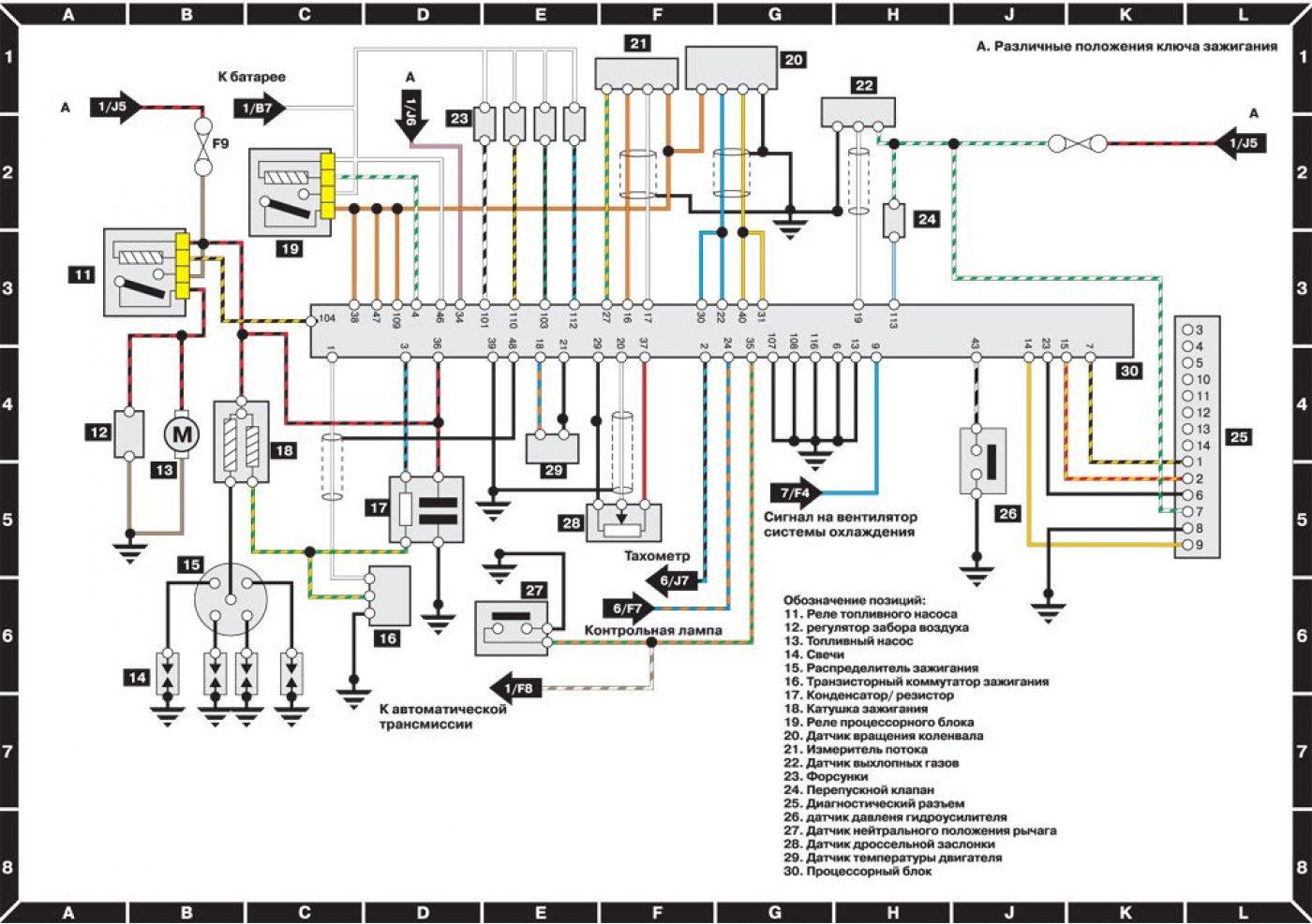
Типовая схема электрооборудования двигателей серии DE (Nissan Sunny B13)

0

Типовая схема электрооборудования двигателей серии DE



Открыть большую картинку в новой вкладке »
Открыть большую картинку в новой вкладке »


(Текст был скопирован с портала: «www.nissanbook.ru»)


Эта статья доступна на: английском, болгарском, белорусском, украинском, сербском, хорватском, румынском, польском, словацком, венгерском
Статья была проверена: Кузнецова Валерия
Отправить эту информацию вашим друзьям:

◀ Предыдущие
Санни 7: Электрические схемы
Следующие ▶

Замечания, принятые обозначения, схемы заряда и пуска двигателя
Типовая схема электрооборудования двигателей серии DS
ABS-система, управление трансмиссией, обогрев стекла
Габаритный свет, сигнал торможения, заднего хода, указатели поворота, противотуманные фары, освещение салона
Освещение салона, контрольные лампы, звуковой сигнал, указатели и датчики, прикуриватель
Отопитель, вентилятор системы охлаждения, омыватель/очиститель стекол
Схожая информация для других моделей Ниссан

➜ Схема электрических соединений систем запуска, заряда,… Ниссан Патрол 4 (1987-1997, бензин)
➜ Схема разводки вакуумных шлангов и трубок Ниссан Серена 2 (1999-2005)
➜ Спецификации всех двигателей Ниссан Блюберд Т12 (1986-1991)
➜ Система смазки двигателя MR20DE — схема смазки Ниссан Х-Трейл 2 (2007-2013, бензин)
➜ Технические характеристики двигателей Ниссан Ноут 1 (2004-2013)
➜ Технические характеристики двигателей Ниссан Кашкай 1 (2006-2013)
Ссылка в разных форматах на эту статью
Комментарии и отзывы посетителей
Комментариев пока нет


Сколько будет 30 + 24 ?

       





Санни 7 (1990-1998) 
  • Общая информация
  • Руководство по эксплуатации
  • Неисправности в пути
  • Техническое обслуживание
  • Силовой агрегат
  • Бензиновые двигатели (1.4 и 1.6)
  • Капремонт двигателей (1.4 и 1.6)
  • Бензиновые двигатели (2.0)
  • Капремонт двигателей (2.0)
  • Дизельный двигатель
  • Система охлаждения
  • Отопление и вентиляция
  • Система питания (карбюратор)
  • Система питания (инжектор)
  • Система впрыска топлива
  • Одноточечный впрыск
  • Многоточечный впрыск
  • Снижение токсичности
  • Электрооборудование двигателя
  • Трансмиссия
  • Сцепление
  • Механическая коробка
  • Автоматическая коробка
  • Приводные валы
  • Шасси
  • Тормозная система
  • Подвеска автомобиля
  • Рулевое управление
  • Кузов
  • Ремонт кузова
  • Элементы кузова
  • Двери, замки и окна
  • Электрооборудование
  • Оборудование и приборы
  • Электрические схемы
Автомобильный анекдот:
следующий анекдот
NissanBook.ru © 2018–2026 · Мобильная версия · Статьи о Ниссане · Карта сайта: EN BG BY UA RS HR RO PL SK HU · Обратная связь · Поиск по сайту · В закладки
Альмера 1 (N15) · Максима 4 (A32) · Мурано 1 (Z50, бензин) · Террано 1 (бензин) · Патрол 4 (Y60, бензин) · Примера 1 (P10, бензин) · Кашкай 1 (J10) · Серена 2 (C24) · Санни 7 (B13) · Блюберд Т12 () · Х-Трейл 2 (T31, бензин) · Ноут 1 · Микра 3 (бензин) · Автомобильные новости · Устройство автомобилей · ТО японских автомобилей · Электронные системы управления · Ремонт карбюраторов