NissanBook.ru
Автомобили Land Rover Автомобили Ford Автомобили Volkswagen Автомобили Skoda Автомобили LADA Автомобили Renault Автомобили Peugeot
Русский English
Български
Беларускі
Український
Српски
Hrvatski
Română
Polski
Slovenský
Magyar
В закладки Статьи Карта Контакты Поиск:
 
 
 
 
 
 
 
 
 
 
 
 
Almera Maxima Murano Pathfinder Patrol Primera Qashqai Serena Sunny Teana X-Trail Другие
Мурано 1 (2002-2007, бензин)
  • Главная
  • Мурано
  • Z50 (2002-2007)
  • Электрооборудование
  • Электрические схемы
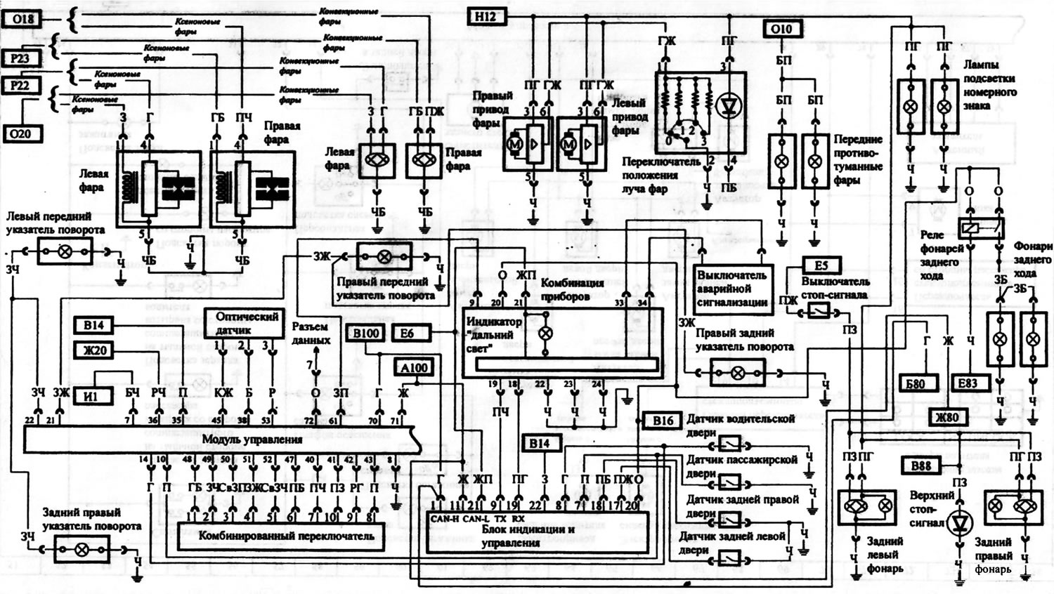
  • Схема 2. Схема наружного освещения автомобиля

Схема 2. Схема наружного освещения автомобиля (Nissan Murano Z50)

0

Схема 2. Схема наружного освещения автомобиля



Схема 2. Схема наружного освещения автомобиля
Открыть большую картинку в новой вкладке »


(Источник статьи находится на сайте www.nissanbook.ru)


Эта статья доступна на: английском, болгарском, белорусском, украинском, сербском, хорватском, румынском, польском, словацком, венгерском
Статья была проверена: Филатов Макар
Отправить эту информацию вашим друзьям:

◀ Предыдущие
Мурано 1: Электрические схемы
Следующие ▶

Схема 1. Схема распределения энергии
Схема 3. Схема внутреннего освещения автомобиля, центральный замок
Схема 4. Схема управления трансмиссией и блок ABS
Схема 5. Панель приборов
Схожая информация для других моделей Ниссан

➜ Схема размещения клемм в фаркопных разъемах автомобиля Ниссан Патрол 4 (1987-1997, бензин)
➜ Принципиальная электрическая схема автомобиля Ниссан Серена 2 (1999-2005)
➜ Схема и отдельные цепи внутреннего освещения Ниссан Микра 3 (2002-2010, бензин)
➜ Типовая схема электрооборудования двигателей серии DE Ниссан Санни 7 (1990-1998)
➜ Система смазки двигателя MR20DE — схема смазки Ниссан Х-Трейл 2 (2007-2013, бензин)
➜ Общая схема прокладки жгутов проводов Ниссан Кашкай 1 (2006-2013)
Ссылка в разных форматах на эту статью
TEXTHTMLBB Code
Комментарии и отзывы посетителей
Комментариев пока нет


Сколько будет 45 + 39 ?

       





Мурано 1 (2002-2007, бензин) 
  • Общая информация
  • Введение в руководство
  • Техническое обслуживание
  • Силовой агрегат
  • Бензиновые двигатели
  • Капремонт двигателя
  • Система смазки
  • Система охлаждения
  • Топливная система
  • Управление двигателем
  • Выхлопная система
  • Трансмиссия
  • Вариатор (CVT)
  • Раздаточная коробка
  • Приводные валы
  • Задний мост
  • Шасси
  • Передняя подвеска
  • Задняя подвеска
  • Рулевое управление
  • Колеса и шины
  • Тормозная система
  • Кузов
  • Элементы кузова
  • Электрооборудование
  • Силовые устройства
  • Освещение и сигнализация
  • Оборудование и приборы
  • Электрические схемы
Автомобильный анекдот:
следующий анекдот
NissanBook.ru © 2018–2025 · Мобильная версия · Статьи о Ниссане · Карта сайта: EN BG BY UA RS HR RO PL SK HU · Обратная связь · Поиск по сайту · В закладки
Альмера 1 (N15) · Максима 4 (A32) · Мурано 1 (Z50, бензин) · Террано 1 (бензин) · Патрол 4 (Y60, бензин) · Примера 1 (P10, бензин) · Кашкай 1 (J10) · Серена 2 (C24) · Санни 7 (B13) · Блюберд Т12 () · Х-Трейл 2 (T31, бензин) · Ноут 1 · Микра 3 (бензин) · Автомобильные новости · Устройство автомобилей · ТО японских автомобилей · Электронные системы управления · Ремонт карбюраторов