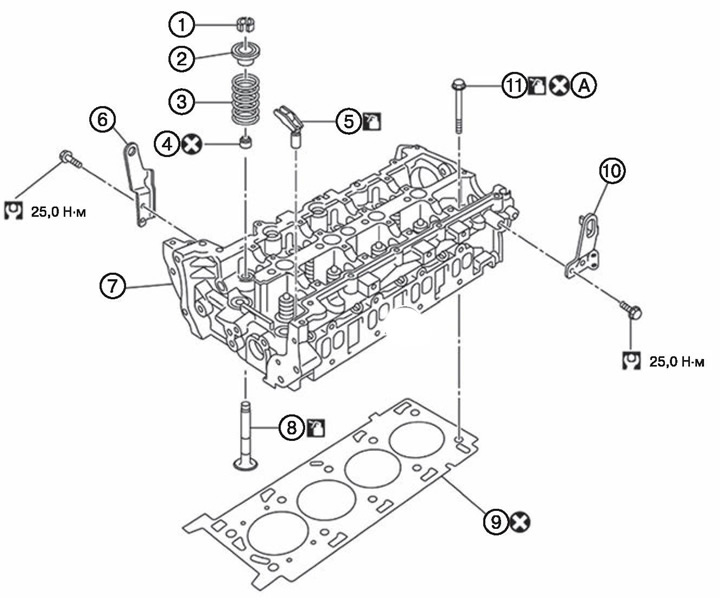
1. Сухари клапана.
2. Тарелка клапана.
3. Клаппниая пружина.
4. Маслоотражательный колпачок.
5. Гидротолкатель.
6. Такелажный рым двигателя (передний).
7. Головка блока цилиндров.
8. Клапан.
9. Присадка головки блока цилиндров.
10. Такелажный рым двигателя (задний).
11. Болт головки блока цилиндров.
Примечание.
: заменять деталь новой после каждого снятия.
: необходимо смазать моторным маслом.