NissanBook.ru
Аўтамабілі Land Rover Аўтамабілі Ford Аўтамабілі Volkswagen Аўтамабілі Skoda Аўтамабілі LADA Аўтамабілі Renault Аўтамабілі Peugeot
Беларускі Русский
English
Български
Український
Српски
Hrvatski
Română
Polski
Slovenský
Magyar
У закладкі Артыкулы Мапа Кантакты
 
 
 
 
 
 
 
 
 
 
 
 
Almera Maxima Murano Pathfinder Patrol Primera Qashqai Serena Sunny Teana X-Trail Іншыя
Bluebird T12 (1986-1991)
  • Галоўная
  • Теана
  • Bluebird T12 (1986-1991)
  • Электраабсталяванне
  • Электрычныя схемы
  • Паказальнікі паваротаў, габарытныя і аварыйныя агні (усе мад…

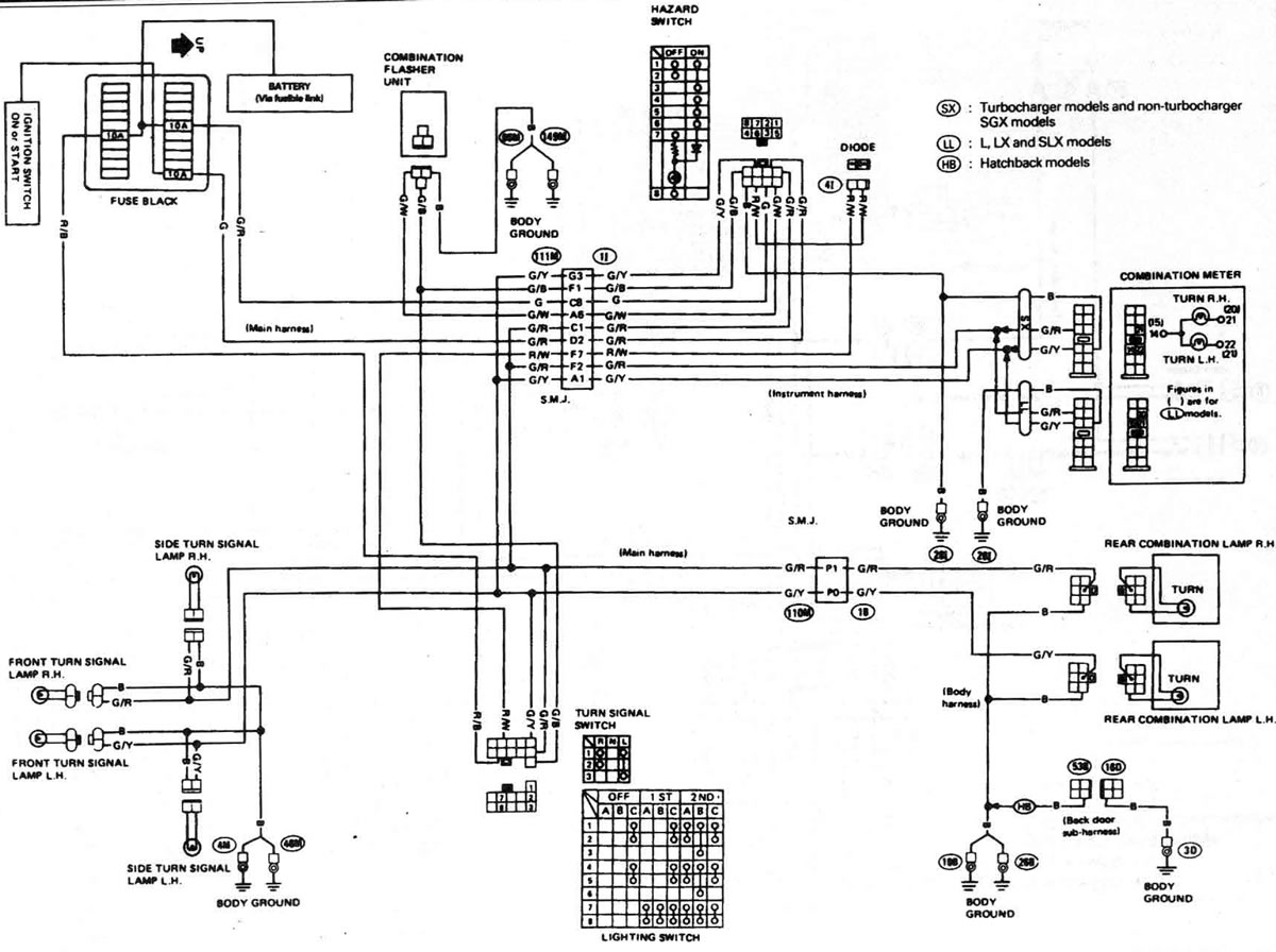
Паказальнікі паваротаў, габарытныя і аварыйныя агні (усе мадэлі Т72) (Nissan Bluebird T12)

0
Мал. 12.27. Паказальнікі паваротаў, габарытныя і аварыйныя агні (усе мадэлі Т72)
Адкрыць вялікую карцінку ў новай укладцы »


Мал. 12.27. Паказальнікі паваротаў, габарытныя і аварыйныя агні (усе мадэлі Т72)


Гэты артыкул даступны на: рускай, англійскай, балгарскай, украінскай, сербскай, харвацкай, румынскай, польскай, славацкай, венгерскай
Артыкул быў правераны: Яфімаў Дзмітрый
Адправіць гэтую інфармацыю вашым сябрам:

◀ Папярэднія
Bluebird T12: Электрычныя схемы
Наступныя ▶

Стоп-сігнал, падсвятленне нумарнога знака (Т72 Хэтчбэк)
Фары (усе мадэлі T72)
Сістэма астуджэння (мадэлі Т72 без кандыцыянера)
Сістэма астуджэння (мадэлі Т72 з кандыцыянерам)
Сістэма ECCS (мадэлі T72 2.0i)
Ланцуг падлучэння лямпаў задняга ходу (усе мадэлі Т72)
Ланцуг падлучэння противотуманных ліхтароў (усе мадэлі Т72)
Электраабсталяванне салона аўтамабіля (усе мадэлі Т72)
Асвятленне салона аўтамабіля (усе мадэлі Т72)
Камбінацыя прыбораў (усе мадэлі Т72, акрамя 2.0i)
Падобная інфармацыя для іншых мадэляў Нісан

➜ Стаяначныя ліхтары, ліхтары асвятлення нумарнога знака і… Нісан Ноўт 1 (2004-2013)
Спасылка ў розных фарматах на гэты артыкул
Каментары і водгукі наведвальнікаў
Каментароў пакуль няма


Колькі будзе 41 + 33 ?

       





Bluebird T12 (1986-1991) 
  • Агульная інфармацыя
  • Інструкцыя па эксплуатацыі
  • Тэхнічнае абслугоўванне
  • Сілавы агрэгат
  • Бензінавыя рухавікі
  • Дызельныя рухавікі
  • Сістэма астуджэння
  • Сістэма харчавання (карбюратар)
  • Сістэма харчавання (турбанаддува)
  • Упырск паліва (рухавікі 2.0 л)
  • Сістэма запальвання (карбюратар)
  • Сістэма запальвання (інжэктар)
  • Трансмісія
  • Счапленне
  • Механічная скрынка
  • Аўтаматычная скрынка
  • Прывадныя валы
  • Шасі
  • Тармазная сістэма
  • Падвеска аўтамабіля
  • Рулявое кіраванне
  • Кузаў
  • Экстэр'ер (вонкавыя элементы)
  • Інтэр'ер (унутраныя элементы)
  • Дзверы, замкі і вокны
  • Ацяпленне і кандыцыянаванне
  • Электраабсталяванне
  • Абсталяванне і прыборы
  • Сілавыя прылады
  • Электрычныя схемы
NissanBook.ru © 2018–2026 · Мабільная версія · Артыкулы аб Нісане · Мапа сайту: EN BG BY UA RS HR RO PL SK HU · Зваротная сувязь · Пошук па сайце · У закладкі
Альмера 1 (N15) · Максіма 4 (A32) · Murano 1 (Z50, бензін) · Тэрана 1 (бензін) · Патрол 4 (Y60, бензін) · Прымера 1 (P10, бензін) · Кашкай 1 (J10) · Серэна 2 (C24) · Санні 7 (B13) · Bluebird T12 () · X-Trail 2 (T31, бензін) · Ноўт 1 · Мікра 3 (бензін) ·