У пазбяганне памылак пры запраўцы агрэгатаў і сістэм аўтамабіля строга прытрымлівайцеся інструкцыям, выкладзеным у раздзеле "Тэхнічнае абслугоўванне і аперацыі, якія выконваюцца самастойна".
*1: Патрабаванні да алею па вязкостных уласцівасцях гл. у п. "Рэкамендацыі па выбары глейкасці маторнага масла"
*2: Выкарыстоўвайце толькі арыгінальную фірмовую вадкасць NISSAN (L250). Выкарыстанне неарыгінальнай астуджальнай вадкасці можа прывесці да карозіі алюмініевых дэталяў сістэмы астуджэння рухавіка. Для кансультацыі звярніцеся да дылера NISSAN.
*3: Звярніцеся да дылера NISSAN для атрымання больш падрабязных звестак аб прымяняльнасці рабочых вадкасцей для аўтаматычных трансмісій DУEXRON™ III/MERCON™, вырабленых рознымі вытворцамі.
*4: Больш падрабязную інфармацыю вы можаце атрымаць у дылера NISSAN.
Рэкамендуемае паліва
Бензінавыя рухавікі
Ужывайце неэтыляваны бензін з актанавым лікам не меней 95 (па даследчым метадзе)
Увага: Не карыстайцеся этыляваным бензінам. Выкарыстанне этыляванага бензіну прыводзіць да выхаду са строю каталітычнага нейтралізатара адпрацаваўшых газаў.
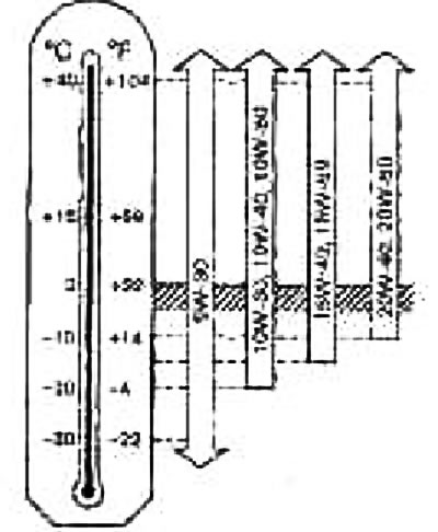
Рэкамендацыі па выбары глейкасці маторнага масла
Бензінавыя рухавікі
Пераважнай з'яўляецца глейкасць 5W-30. Пры немагчымасці набыцця дадзенага алею, карыстаючыся дыяграмай, абярыце алей падыходнай глейкасці (пры дадзенай тэмпературы паветра).
Пераважныя тэмпературы навакольнага паветра ў перыяд да наступнай замена маторнага масла.
Масла для бензінавага рухавіка

Масла для бензінавага рухавіка

Хладагент і алей для сістэмы кандыцыянавання паветра
Сістэма кандыцыянавання паветра на вашым аўтамабілі павінна запраўляцца холадагентам HFCA134a (RA134a) і маслам маркі "NISSAN A/C System Oil Type R" (рухавікі CR14DE ці HR16DE). Ужыванне іншага холадагенту або маслы прывядзе да сур'ёзных пашкоджанняў сістэмы кандыцыянавання паветра і неабходнасці поўнай замены сістэмы.