Установочные элементы педали тормоза
Нерегулируемая педаль
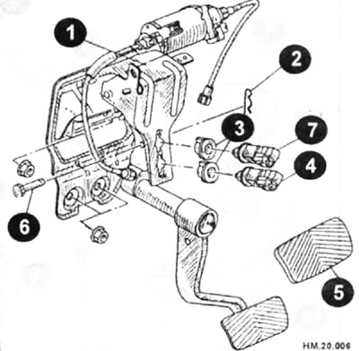
1 — кронштейн педали тормоза; 2 — шплинт; 3 — зажим; 4 — выключатель сигнала торможения; 5 — накладка педали; 6 — штифт с отверстием под шплинт; 7 — выключатель сброса ASCD.
Регулируемая педаль

Проверка
- Проверьте педаль и кронштейн на наличие следующих дефектов: изгиб педали, деформация оси, трещины на сварных швах, трещины и деформации фиксатора штифта.
- Проверьте штифт с отверстием под шплинт и резиновый стопор на наличие деформаций и повреждений. Если обнаружена неисправность, замените штифт с отверстием под шплинт и резиновый стопор.
1 — стопор.
Люфт и зазор между педалью тормоза и полом при нажатой педали
1 — контргайка; 2 — входной толкатель; 3 — зазор между кронштейном и резьбовым концом выключателя сброса ASCD или выключателя сигнала торможения; 4 — выключатель сигнала торможения или выключатель сброса ASCD; 5 — напольное ковровое покрытие; 6 — изолирующая панель; 7 — нижняя панель.
- Проверьте свободную высоту педали над панелью пола. Она должна составлять 1 99,5-209,5 мм.

- Отрегулируйте высоту в соответствии с приведенными техническими данными.
Внимание: У моделей с регулируемыми педалями при измерении высоты педали должны быть в крайнем переднем положении.
- Проверьте высоту нажатой педали при усилии 50 кг и работающем двигателе. Она должна составлять не менее 120 мм.

- Измерьте люфт педали. Он должен составлять 3-11 мм.

- При необходимости выполните регулировку.
Регулировка
- Ослабьте выключатель сигнала торможения и выключатель сброса ASCD, повернув его на 45° против часовой стрелки.
- Ослабьте контргайку и установите высоту педали в свободном состоянии, вращая толкатель усилителя тормозного привода. Затем затяните контргайку моментом 15,7-21,6 Нм.
- Убедитесь, что резьбовой конец входного толкателя остается внутри скобы.

- При оттянутой и удерживаемой рукой педали прижимайте выключатель сигнала торможения и выключатель сброса ASCD до тех пор, пока его резьбовой конец не соприкоснется с кронштейном.
- Когда резьбовой конец выключателя сигнала торможения и выключателя сброса ASCD соприкоснется с кронштейном, для фиксации выключателя поверните его на 45° по часовой стрелке.
Внимание: Проверьте, что значение зазора между кронштейном и резьбовым концом выключателя сигнала торможения находится в пределах 0,74-1,96 мм.
- Проверьте люфт педали.
Внимание: Убедитесь, что при отпущенной педали стоп-сигналы выключены.
- Проверьте высоту педали, для этого заведите двигатель.
- Если она меньше требуемой, проверьте систему на наличие воздуха, утечек жидкости или повреждений (главный цилиндр, колесные цилиндры и т.д.). Произведите необходимый ремонт.
1 — кронштейн; 2 — зажим; 3 — внутренняя часть резьбы толкателя; 4 — входной толкатель; 5 — контргайка; 6 — скоба; 7 — штифт снобы.
Снятие
Внимание: Механизм регулировки положения педалей (трос привода и электродвигатель) разборке не подлежит.
- Перед снятием троса привода педалей педали должны находиться в крайнем переднем положении. Это необходимо для поддержания правильного расстояния между педалями акселератора и тормоза.
- Снимите боковую панель со стороны водителя.
- Снимите боковую отделочную кромку со стороны водителя.
- Снимите нижнюю часть передней панели со стороны водителя.
- Снимите боковую часть отделки передней панели со стороны водителя.
- Снимите педаль стояночного тормоза. Модели с регулируемыми педалями: отсоедините трос привода педали акселератора и штекер жгута проводов электродвигателя регулировки педалей.
- Снимите с узла педалей выключатель сигнала торможения и выключатель сброса ASCD.

- Снимите шплинт (1) и штифт с отверстием под шплинт (2) со скобы (3) входного толкателя.
- Открутите гайки крепления с кронштейна педали и снимите педаль с автомобиля.
Информация скопирована с портала (www.NISSANBOOK.ru)
Установка
Установка производится в порядке, обратном снятию с учетом следующего:
- После установки педали тормоза на автомобиль проведите регулировку педали.