Описание
С дистанционното можете да заключвате и отключвате всички врати, вкл. отзад.
Ако вратите не се отворят след натискане на бутона за отключване. 30 секунди или ключът не е поставен в контакта за запалване, всички врати се заключват автоматично.
Аварийната лампа мига, докато системата за дистанционно управление работи.
Условия на работа:
- Заключване: превключвател на ключа за запалване в положение OFF (ключът се изважда), всички ключове на вратата са в положение ИЗКЛ (вратите са затворени).
- Отключване: Поставен превключвател на контактния ключ в положение OFF (ключът се изважда).
Местоположение на компонента

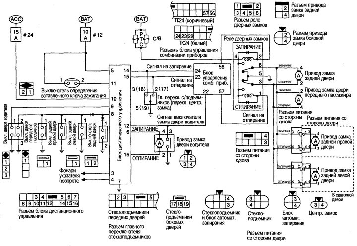
Електрическа схема

Стандартни входно/изходни напрежения на дистанционното управление на ключалките