NissanBook.ru
Gépkocsik Land Rover Gépkocsik Ford Gépkocsik Volkswagen Gépkocsik Skoda Gépkocsik LADA Gépkocsik Renault Gépkocsik Peugeot
Magyar Русский
English
Български
Беларускі
Український
Српски
Hrvatski
Română
Polski
Slovenský
A könyvjelzőkhöz Cikkek Térkép Kapcsolatok
 
 
 
 
 
 
 
 
 
 
 
 
Almera Maxima Murano Pathfinder Patrol Primera Qashqai Serena Sunny Teana X-Trail Egyéb
Murano 1 (2002-2007, benzin)
  • Főoldal
  • Murano
  • Z50 (2002-2007)
  • Elektromos berendezések
  • Elektromos áramkörök
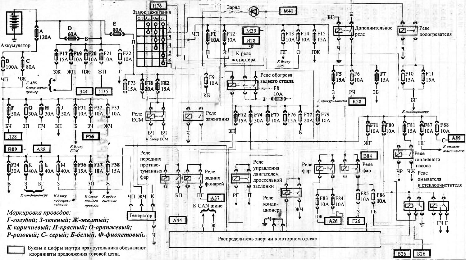
  • 1. séma. Energiaeloszlási diagram

1. séma. Energiaeloszlási diagram (Nissan Murano Z50)

0

1. ábra. Energiaeloszlási diagram



1. ábra. Energiaeloszlási diagram
Nagyobb kép megnyitása új lapon »


(A teljes cikk elérhető a forráson: NISSANBOOK.ru)


Ez a cikk a következő címen érhető el: orosz, angol, bolgár, fehérorosz, ukrán, szerb, horvát, román, lengyel, szlovák
Ezt a cikket felülvizsgálták: Makar Filatov
Küldje el ezeket az információkat barátainak:

◀ Előző
Murano 1: Elektromos áramkörök
Következő ▶

 
2. séma. Autó külső világítási sémája
3. séma. Az autó belső világításának sémája, központi zár
4. séma. Váltóvezérlő rajz és ABS egység
5. séma. Műszerfal
Hasonló információk más Nissan modellekhez

➜ Hibadiagnosztika — elektromos diagram Nissan Note 1 (2004-2013)
➜ MR20DE motor kenőrendszer — kenési diagram Nissan X-Trail 2 (2007-2013, benzin)
➜ Műszercsoport — elektromos diagram Nissan Almera 1 (1995-2000)
Különböző formátumú hivatkozások ehhez a cikkhez
Látogatók észrevételei és visszajelzései
Még nincsenek hozzászólások


Mennyi lesz 21 + 19 ?

       





Murano 1 (2002-2007, benzin) 
  • Általános információk
  • Bevezetés a kézikönyvbe
  • Karbantartás
  • Motor és rendszerek
  • Benzinmotorok
  • Motorfelújítás
  • Kenőrendszer
  • Hűtőrendszer
  • Üzemanyagrendszer
  • Motorvezérlés
  • Kipufogórendszer
  • Jármű sebességváltó
  • Variátor (CVT)
  • Átviteli eset
  • Hajtótengelyek
  • Hátsó tengely
  • Alváz
  • Első felfüggesztés
  • Hátsó felfüggesztés
  • Jármű kormányzás
  • Kerekek és gumiabroncsok
  • Fékrendszer
  • Karosszéria
  • Karosszéria elemek
  • Elektromos berendezések
  • Tápellátási eszközök
  • Világítás és jelzés
  • Berendezések és eszközök
  • Elektromos áramkörök
NissanBook.ru © 2018–2026 · Mobil verzió · Cikkek a Nissanról · Az oldal térképe: EN BG BY UA RS HR RO PL SK HU · Visszacsatolás · Webhelykeresés · A könyvjelzőkhöz
Almera 1 (N15) · Maxima 4 (A32) · Murano 1 (Z50, benzin) · Terrano 1 (benzin) · Patrol 4 (Y60, benzin) · Primera 1 (P10, benzin) · Qashqai 1 (J10) · Serena 2 (C24) · Sunny 7 (B13) · Bluebird T12 () · X-Trail 2 (T31, benzin) · Note 1 · Micra 3 (benzin) ·