

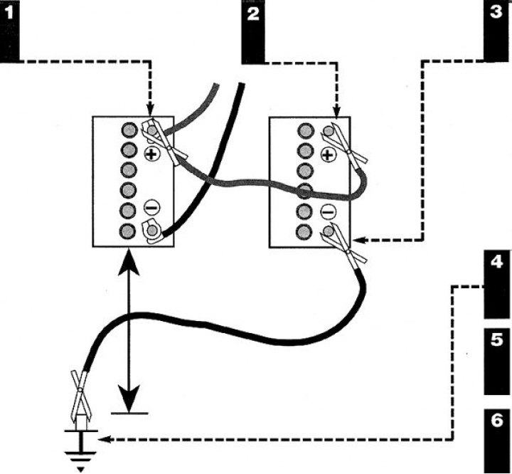
1. Свържете клемата на червения джъмперен кабел към положителния полюс на изтощената батерия.

2. Свържете другата клема на червения стартов кабел към положителния полюс на допълнителната (стартова) батерия.

3. Свържете клемата на черния джъмперен кабел към отрицателната клема на бустерната батерия.

4. Свържете другата клема на черния кабел към болт или скоба на цилиндровия блок на стартирания двигател на достатъчно разстояние от допълнителната батерия.
5. Уверете се, че джъмперните кабели са разположени доста далеч от вентилатора, ремъците и другите движещи се части, така че да не могат да влязат в контакт с тях.
6. Стартирайте двигателя с помощта на допълнителната батерия, поставете го на празен ход и разкачете кабелите в обратен ред.
[Източникът на статията е на уебсайта NissanBook]
Когато стартирате двигателя с помощта на допълнителната батерия, спазвайте следните предпазни мерки:
Уверете се, че запалването е изключено, преди да свържете допълнителната батерия.
Уверете се, че всички потребители (фарове, парно, чистачки и др.) забранено.
Уверете се, че напрежението на бустерната батерия е същото като на батерията във вашия автомобил.
Ако двигателят ще се стартира от батерия, инсталирана на друга кола, тогава каросерията на автомобила не трябва да се допира.
Уверете се, че лостът за управление на скоростната кутия е в неутрално положение (или в позиция за паркиране, ако автомобилът е оборудван с автоматична трансмисия).