Сумясціць канаўку каленчатага вала (А) з адтулінай у блоку цыліндраў (У).

Заўвага. Гэта неабходна для прадухілення кантакту клапанаў з дна поршняў.
Пераканацца ў тым, што размеркавальныя валы знаходзяцца ў паказаным на малюнку становішчы: канаўка правага размеркавальнага вала (1) павінна быць усталявана так, каб якая выступае частка знаходзілася зверху, а ўсталявальная пазнака левага размеркавальнага вала (2) павінна супадаць з выступам на галоўцы блока цыліндраў.

Выдаліць заглушку адтуліны пад штыфт ВМТ.

Ўшрубаваць штыфт усталёўкі ВМТ (A) (Mot. 1766 па каталогу Renault). Правярнуць каленчаты вал рухавіка супраць гадзіннікавай стрэлкі так, каб каленчаты вал крануў штыфта ВМТ.
Стрэлка паказвае ў бок пярэдняй часткі рухавіка
2. Устанавіць шасцярню кампенсатара зносу:
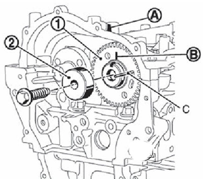
Устанавіць шасцярню кампенсатара зносу (1) на падставу пазіцыянуе прынады (A) (Mot. 1773 па каталогу Renault).

Устанавіць рычаг (У) у зуб'і ніжняй шасцярні (А). Паварочваючы рычаг супраць гадзіннікавай стрэлкі, сумясціць два зубы шасцярні.
Шасцярня кампенсатара зносу
Усталяваць стопорный штыфт (А) у адтуліну шасцярні.
1. Шасцярня кампенсатара зносу.
Заўвага. У якасці стопорного штыфта выкарыстоўваць дрот з цвёрдага металу дыяметрам прыблізна 4,0 мм.
Устанавіць шасцярню кампенсатара зносу (1) з прастаўкай (2) на левы размеркавальны вал.
Сумясціць усталявальную пазнаку (У) на шасцярні кампенсатара з утулкай (А) на галоўцы блока цыліндраў.
С. Стопарны штыфт.
Нажывіце ніт мацавання.
3. Усталяваць заднюю зорачку:
Размясціць мантажную адтуліну (А) па цэнтры праёму ў задняй зорачцы.

Шчыльна ўсталяваць заднюю зорачку на ступіцах размеркавальнага вала.
Выняць стопарны штыфт
4. Устанавіць заспакаяльнік (2) прываднага ланцуга.
А. Установачная пазнака.
В. Установачная пазнака (штамп).
С. Установачная пазнака (канаўка).
D. Установачная пазнака.
Заўвага. Зацягнуць балты мацавання заспакаяльніка прываднага ланцуга ў два этапы:
- Першы этап: момантам зацяжкі 5.0 Нм.
- Другі этап: момантам зацяжкі 25.0 Нм.
5. Устанавіць пярэднюю зорачку (1), зорачку каленчатага вала (4) і прывадны ланцуг (3).
Заўвага. Сумясціць усталявальныя пазнакі кожнай зорачкі і прывадны ланцугі.
6. Усталяваць прастаўку (1) на перадпакой зорачку і нажыць ніт мацавання. Пераканацца ў тым, што зорачка свабодна круціцца.

7. Устанавіць накіроўвалую нацягвальніка прываднага ланцуга (2).

8. Устанавіць нацягвальнік прываднага ланцуга (1):
Заўвага.
- Перад тым, як зацягваць балты мацавання, пераканацца ў тым, што нацягвальнік дакранаецца блока цыліндраў.
- Пасля ўстаноўкі выняць стопарны штыфт (А) і адпусціць плунжар.
9. Зацягнуць ніты мацавання зорачак прывада газаразмеркавальнага механізму і шасцерняў кампенсатара зносу:
Устанавіць цангу (А) спецыяльнага прыстасавання (D) (Mot. 1769 па каталогу Renault) у канаўку правага размеркавальнага вала.

Павярнуць прынаду так, каб сумясціць вось прастаўкі (У) з адтулінай пад ніт.
Усталяваць штыфты (З) прынады ў адтуліны шасцярні кампенсатара зносу.
Павярнуць прынаду (D) (Mot. 17159 па каталогу Renault) так, каб сумясціць вось прастаўкі (У) з адтулінай пад ніт.
Устанавіць цангу (А), не прыкладваючы намаганняў, у канаўку правага размеркавальнага вала.

Уставіць ніт мацавання (У) (М6 х 50 мм) у прастаўку прынады (A) (Mot. 1769 па каталогу Renault).

Зацягнуць балты мацавання (З) зорачкі размеркавальнага вала момантам 10 Нм, пасля чаго дацягнуць на кут 40°.
Зацягнуць ніт мацавання (D) шасцярні кампенсатара зазору момантам 20,0 Нм, пасля чаго дацягнуць на кут 35°.
Увага. Выкарыстоўваць для дацяжкі на кут кутняй варотак (KV10112100) (У). Не зацягваць ніт "на вока".
Зняць спецыяльную прынаду.
10. Выняць установачны штыфт ВМТ (Mot.1766 па каталогу Renault).
11. Вырабіць герметык на заглушку адтуліны пад штыфт ВМТ і зацягнуць яе момантам 25,0 Нм.
Заўвага. Выкарыстоўваць арыгінальны герметык або эквівалентны.
12. Устанавіць пярэдняе вечка рухавіка:
Вырабіць герметык на пярэдняе вечка, як паказана на малюнку.
А (верхні бок): валік дыяметрам 2.5-4.5 мм.
У (ніжні бок): валік дыяметрам 3.0-7.0 мм.
Вобласць З: валік дыяметрам 9.0-13.0 мм і даўжынёй 10.0-15.0 мм.
Заўвага.
- Выкарыстоўваць арыгінальны герметык або эквівалентны.
- Герметык неабходна наносіць толькі на пярэдняе вечка.
Зацягнуць балты мацавання ў некалькі этапаў у паказанай на малюнку паслядоўнасці:
Зацягнуць балты момантам зацяжкі 5.0 Нм.

Заўвага. Вырабіць герметык на ніт №23. Выкарыстоўваць арыгінальны герметык або эквівалентны.
Зацягнуць ніты №№1 - 22 у паказанай на малюнку паслядоўнасці момантам 16.0 Нм.
Зацягнуць ніт №23 момантам 18.0 Нм.
Заўвага.
Размяшчэнне нітаў мацавання:
- М8: №23.
- М6: усе астатнія.
13. Устанавіць пярэдні сальнік:
Ужывайце абарону (А) на пярэдні сальнік (1).

Заўвага.
- Сумясціць пазы пярэдняга сальніка з пазамі пярэдняй крышкі.
- Абарона сальніка пастаўляецца ў камплекце з ім.
Зацягнуць пярэдні сальнік (1), выкарыстоўваючы спецыяльнае прыстасаванне (А).

Заўвага. Адмысловая прынада пастаўляецца ў камплекце з перадпакоем сальнікам.
Зняць абарону сальніка.
14. Устанавіць шкіў каленчатага вала:
Зафіксаваць шкіў каленчатага вала пры дапамозе спецыяльнага прыстасавання (A) (Mot. 1770 па каталогу Renault).

Зацягнуць ніт шківа каленчатага вала момантам зацяжкі 50,0 Нм.
Дацягнуць ніт на 85° (кутняя зацяжка).
Увага. Выкарыстоўваць для дацяжкі на кут кутняй варотак (KV10112100) (У). Не зацягваць ніт "на вока".
Правярнуць шкіў каленчатага вала ў нармальным кірунку (па гадзіннікавай стрэлцы калі глядзець спераду) для таго, каб пераканацца ў плыўнасці кручэння.
15. Усталяваць мантажны кранштэйн і мантажныя стойкі рухавіка (пярэднюю і заднюю):
- Нажыць балты мантажных кранштэйнаў рухавіка.
- Нажыць балты мантажных стоек рухавіка (пярэдняй і задняй).
- Зацягнуць балты мантажных стоек рухавіка (пярэдняй і задняй) у паказанай на малюнку паслядоўнасці.

Зацягнуць ніты мантажнага кранштэйна рухавіка ў паказанай на малюнку паслядоўнасці.

16. Далейшая ўстаноўка праводзіцца ў парадку, адваротным зняццю.