NissanBook.ru
Автомобили Land Rover Автомобили Ford Автомобили Volkswagen Автомобили Skoda Автомобили LADA Автомобили Renault Автомобили Peugeot
Български Русский
English
Беларускі
Український
Српски
Hrvatski
Română
Polski
Slovenský
Magyar
Към отметки Статии Карта Контакти
 
 
 
 
 
 
 
 
 
 
 
 
Almera Maxima Murano Pathfinder Patrol Primera Qashqai Serena Sunny Teana X-Trail Друго
Serena 2 (1999-2005)
  • Главна
  • Серена
  • C24 (1999-2005)
  • Силов агрегат
  • Бензинов двигател SR20DE
  • Цилиндров блок — устройство

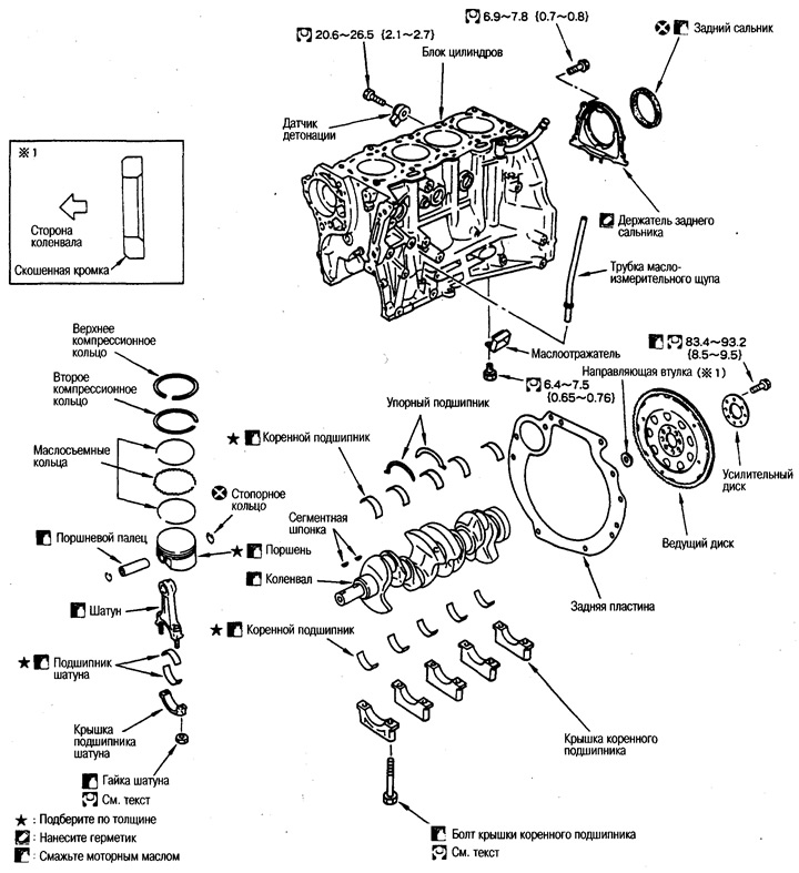
Цилиндров блок — устройство (Nissan Serena C24)

0

Цилиндров блок - устройство



Цилиндров блок - устройство


Тази статия е достъпна на адрес: руски, английски, беларуски, украински, сръбски, хърватски, румънски, полски, словашки, унгарски
Тази статия е прегледана: София Шаповалова
Изпратете тази информация на приятели:

◀ Предишна
Serena 2: Бензинов двигател SR20DE
Следващия ▶

Монтаж и тестване на двигател
Сваляне на двигателя
Цилиндрова глава — монтаж
Цилиндрова глава — проверка
Цилиндрова глава — демонтаж
Цилиндров блок — ред на избор на компоненти
Цилиндров блок — демонтаж
Цилиндров блок — проверка
Огъване и усукване на биела
Голяма и малка биелна глава
Подобна информация за други модели Nissan

➜ Цилиндров блок и биелно-бутална група — устройство Nissan Qashqai 1 (2006-2013)
➜ Цилиндров блок — почистване и проверка Nissan Sunny 7 (1990-1998)
➜ Цилиндров блок — премахване и монтиране Nissan Note 1 (2004-2013)
➜ Цилиндров блок — премахване, проверка и монтиране Nissan Almera 1 (1995-2000)
➜ Цилиндров блок Nissan Primera 1 (1990-1996, бензин)
➜ Цилиндров блок — почистване и проверка Nissan Murano 1 (2002-2007, бензин)
Връзка в различни формати към тази статия
Коментари и обратна връзка от посетители
Без коментари все още


Колко ще 28 + 34 ?

       





Serena 2 (1999-2005) 
  • Обща информация
  • Устройства за управление
  • Ръководство на потребителя
  • Силов агрегат
  • Бензинов двигател SR20DE
  • Дизелов двигател YD25DDTi
  • Охлаждане и смазване
  • Управление на двигателя SR20DE
  • Управление на двигателя YD25DDTi
  • Горивна и изпускателна система
  • Предаване
  • Автоматична скоростна кутия
  • Задвижващи и карданни валове
  • Трансферна кутия
  • Шаси
  • Предно окачване
  • Задно окачване
  • Спирачна система
  • Кормилно управление
  • Каросерия
  • Система за сигурност
  • Интериор (вътрешни елементи)
  • Екстериор (външни елементи)
  • Врати, брави и прозорци
  • Отопление и климатизация
  • Електрическо оборудване
  • Оборудване и инструменти
  • Осветителна система
  • Чистачки и шайби за стъкло
  • Електрически схеми
NissanBook.ru © 2018–2026 · Мобилна версия · Статьи о Ниссан · Карта на сайта: EN BG BY UA RS HR RO PL SK HU · Обратна връзка · Търсене в сайта · Към отметки
Almera 1 (N15) · Maxima 4 (A32) · Murano 1 (Z50, бензин) · Terrano 1 (бензин) · Patrol 4 (Y60, бензин) · Primera 1 (P10, бензин) · Qashqai 1 (J10) · Serena 2 (C24) · Sunny 7 (B13) · Bluebird T12 () · X-Trail 2 (T31, бензин) · Note 1 · Micra 3 (бензин) ·