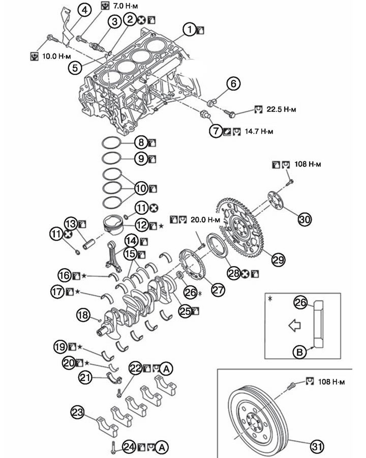
1. Блокирайте
2. О-пръстен.
3. Сензори за позиция. колянов вал.
4. Капак на сензора за положение на коляновия вал.
5. Маслен филтър (системи за контрол на времето на всмукателния клапан).
6. Сензор за детонация.
7. Сензор за налягане на маслото.
8. Горен компресионен пръстен.
9. Втори компресионен пръстен.
10. Пръстен за скрепер за масло.
11. Задържащ пръстен.
12. Бутало.
13. Бутален болт.
14. Биела.
15. Напрегнат полупръстен.
16. Горен биелен лагер.
17. Горна основна лагерна черупка.
18. Ключ на коляновия вал.
19. Долни черупки на основни лагери.
20. Долен биелен лагер.
21. Капак на мотовилката.
22. Болт на мотовилката.
23. Капак на основния лагер.
24. Болт на капачката на основния лагер.
25. Колянов вал.
26. Водеща втулка (модификации с вариатор).
27. Импулсен диск.
28. Заден семеринг.
29. Главен диск (модификации с вариатор).
30. Подсилващ диск (модификации с вариатор).
31. Маховик (модификации с ръчна скоростна кутия).
A. Редът на затягане е посочен в описанието на процеса на сглобяване.
V. Фаска.
Забележка.
сменяйте частта с нова след всяко отстраняване.
трябва да се смазват с двигателно масло.
изберете необходимата дебелина.
места, където се прилага уплътнител.