NissanBook.ru
Mașini Land Rover Mașini Ford Mașini Volkswagen Mașini Skoda Mașini LADA Mașini Renault Mașini Peugeot
Română Русский
English
Български
Беларускі
Український
Српски
Hrvatski
Polski
Slovenský
Magyar
La marcaje Articole Hartă Contacte
 
 
 
 
 
 
 
 
 
 
 
 
Almera Maxima Murano Pathfinder Patrol Primera Qashqai Serena Sunny Teana X-Trail Altele
Murano 1 (2002-2007, benzină)
  • Principală
  • Murano
  • Z50 (2002-2007)
  • Transmitere
  • Variator (CVT)
  • Modul de control transmisie FCM

Modul de control transmisie FCM (Nissan Murano Z50)

0
Modul de control transmisie FCM

Sarcina modulului de control TCM este următoarea:
  • Recepționează semnale de la diverși comutatori și senzori.
  • Determină valoarea presiunii în linie, momentul de comutare și blocarea.
  • Trimite semnale de ieșire către motorul pas cu pas și solenoizi.

Sistemul de control este acționat de un variator. Acesta determină condițiile de funcționare ale vehiculului pe baza citirilor de la diverși senzori, stabilește punctul optim de schimbare a vitezelor și reduce forța de impact în timpul schimbării și blocării.

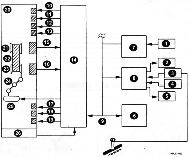
Schema bloc a sistemului de control



1 - senzor de viteză a roții; 2 — lampă de control care indică al doilea interval; 3 — comutator de…

1 - senzor de viteză a roții; 2 — lampă de control care indică al doilea interval; 3 — comutator de indicare a distanței secunde; 4 — comutator de stopuri; 5 — Indicator mod CVT; 6 — Modulul de control al motorului (ECM); 7 - actuator și unitate electrică (unitate de control) ABS; 8 - amplificator combinat pentru panoul de bord și aerul condiționat; 9 — magistrală CAN; 10 — electrovalvă de control al presiunii liniare; 11 - electrovalvă de control al presiunii secundare; 12 — electrovalvă de comandă a ambreiajului convertorului de cuplu; 13 — electrovalvă de selectare a blocării; 14 — modulul de control al transmisiei (TCM); 15 — senzor de viteză al scripetelui secundar; 16 — senzor de viteză al scripetelui principal; 17 — Senzor de temperatură a fluidului de lucru CVT; 18 — senzor de presiune secundar; 19 — senzor de presiune principal; 20 — transmisie cu variație continuă (CVT); 21 - scripete secundar; 22 - curea; 23 - scripete primar; 24 — tijă de control al schimbării vitezelor; 25 - motor pas cu pas; 26 — comutator pentru indicarea intervalelor P și N (PNP).



Amplasarea componentelor electrice ale variatorului



1 — senzor de viteză al scripetelui secundar; 2 — Mufă cablaj CVT; 3 - Supape de control care…

1 — senzor de viteză al scripetelui secundar; 2 — Mufă cablaj CVT; 3 - Supape de control care includ un comutator indicator PNP (presiune negativă prin impulsuri), un senzor de viteză a scripetelui principal, un motor pas cu pas, o electrovalvă de control al presiunii secundare, o electrovalvă de control al presiunii în linie, o electrovalvă de ambreiaj a convertizorului de cuplu, o supapă de control al schimbării treptelor de viteză, o supapă secundară, o supapă de control manuală, o supapă de control al ambreiajului convertizorului de cuplu, o electrovalvă de selectare a blocării, un senzor de temperatură a fluidului CVT, un senzor de presiune secundar, un senzor de presiune primar și 4 - Modul de control al motorului (ECM); 5 - în spatele torpedoului; 6 — modulul de control al transmisiei TCM; 7 — unitate de control a variatorului; 8 — comutator de indicare a distanței secunde; 9 — Indicator mod CVT; 10 — martor luminos de control al distanței de acțiune; 11 — senzor de poziție a pedalei de accelerație; 12 — pedală de accelerație.


Acest articol este disponibil la adresa: rusă, engleză, bulgară, belarusă, ucraineană, sârbă, croată, poloneză, slovacă, maghiară
Acest articol a fost revizuit: Makar Filatov
Trimite aceste informații prietenilor tăi:

◀ Anterior
Murano 1: Variator (CVT)
Următorul ▶

 
Variator cu axă conducătoare — demontare și instalare
Sistem de control al schimbării de viteză
Sistem de blocare a schimbătorului de viteze
Furtun de respirație — demontare și montare
Garnitură laterală diferențială
Informații similare pentru alte modele Nissan

➜ Sistem ABS, control transmisie, sticla incalzita Nissan Sunny 7 (1990-1998)
➜ Tija de control transmisie — reglare Nissan Terrano 1 (1986-1995, benzină)
➜ Tije de control transmisie RS6F52A — dispozitiv Nissan Qashqai 1 (2006-2013)
➜ Suporturi motor/transmisie — înlocuire și reglare Nissan Bluebird T12 (1986-1991)
➜ Hill Hill Control (HDC) (dacă este echipat) Nissan X-Trail 2 (2007-2013, benzină)
➜ Curele de transmisie Nissan Note 1 (2004-2013)
Link în diferite formate către acest articol
Comentarii și feedback de la vizitatori
Niciun comentariu încă


Cât va 47 + 20 ?

       





Murano 1 (2002-2007, benzină) 
  • Informații generale
  • Introducere în manual
  • Întreţinere
  • Unitate de putere
  • Motoare pe benzină
  • Revizie generală a motorului
  • Sistem de lubrifiere
  • Sistem de răcire
  • Sistem de alimentare
  • Managementul motorului
  • Sistem de evacuare
  • Transmitere
  • Variator (CVT)
  • Cutie de transfer
  • Arbori de transmisie
  • Punte spate
  • Şasiu
  • Suspensie față
  • Suspensie spate
  • Sistem de direcție
  • Roți și anvelope
  • Sistem de frânare
  • Caroseria
  • Elemente ale corpului
  • Echipamente electrice
  • Dispozitive de alimentare
  • Iluminat și semnalizare
  • Echipamente și dispozitive
  • Circuite electrice
NissanBook.ru © 2018–2026 · Versiune mobila · Articole despre Nissan · Hartă site-ului: EN BG BY UA RS HR RO PL SK HU · Feedback-ul · Cautarea site-ului · La marcaje
Almera 1 (N15) · Maxima 4 (A32) · Murano 1 (Z50, benzină) · Terrano 1 (benzină) · Patrol 4 (Y60, benzină) · Primera 1 (P10, benzină) · Qashqai 1 (J10) · Serena 2 (C24) · Sunny 7 (B13) · Bluebird T12 () · X-Trail 2 (T31, benzină) · Note 1 · Micra 3 (benzină) ·