- Ніжняя частка впускнога кале тара. Гэтая дэталь мацуецца непасрэдна да левай і правай галоўак блока цыліндраў.
- Верхняя частка впускнога калектара. Гэтая дэталь мацуецца да ніжняй часткі впускного калектара.
- Впускная труба верхняй частцы впускного калектара. Гэтая дэталь адным бокам мацуецца да верхняй часткі впускного калектара, а да іншай яе боку мацуецца корпус дросельнай засланкі.
Зняцце
- Адлучыце адмоўны провад ад акумулятарнай батарэі.
- Зніміце вечка рухавіка.
- Зліце астуджальную вадкасць.
Увага: Дадзеную аперацыю неабходна праводзіць на халодным рухавіку.
- Зніміце паветравод.

- Адкруціце балты (стрэлкі) у паслядоўнасці крыж-накрыж, пачынальна з любога ніта, і зніміце корпус дросельнай засланкі.
Увага: Пры працы будзьце асцярожныя і не стукайце па электрычным выканаўчым механізме кіравання дросельнай засланкай. Выканаўчы механізм разборцы не падлягае.
- Установачныя элементы впускной трубы верхняй часткі і верхняй часткі впускного калектара
1 - корпус дросельнай засланкі ў зборы з электрычным выканаўчым механізмам; 2 - пракладка; 3 - впускная труба верхняй часткі впускного калектара; 4 - шланг сістэмы прымусовай вентыляцыі картэра (PCV); 5 — кранштэйны джгута правадоў; 6 - магутнаснай клапан; 7 - саленоідны клапан кіравання VIAS; 8 - вакуумная камера; 9 - верхняя частка впускнога калектара; 10 - апорны кранштэйны; 11 - шланг сістэмы EVAP; 12 - саленоідны клапан кіравання ачысткай ёмістасці для пароў паліва (сістэма EVAP).
- Адлучыце ад впускной трубы верхняй часткі і ад верхняй часткі впускного калектара вакуумны шланг і шланг для астуджальнай вадкасці.
- Выкруціце знізу впускной трубы верхняй частцы впускного калектара ніт мацавання саленоіднага клапана кіравання ачысткай ёмістасці для пароў паліва (сістэма EVAP).
- Зніміце саленоідны клапан кіравання VIAS і вакуумную камеру.
- Зніміце правы рычаг пярэдняга шклоачышчальніка і правае вечка панэлі перад ветравым шклом.
- Адлучыце кранштэйны шланга ўзмацняльніка рулявога кіравання.
- Зніміце апорны кранштэйны трубы впускного калектара.
- Зніміце шланг прымусовай вентыляцыі картэра, які злучае впускную тру,-бу верхняй частцы впускного калектара і правае затамкавае вечка.

- Прыслабце ніты і гайкі ў паслядоўнасці, паказанай на малюнку, і зніміце впускную трубу верхняй часткі і верхнюю частку впускного калектара.

- Пры неабходнасці адкруціце чатыры ніта мацавання впускной трубы (стрэлкі) да верхняй часткі впускного калектара ў паслядоўнасці крыж-накрыж, пачынальна з любога ніта, і адлучыце впускную трубу ад верхняй часткі впускного калектара.

- Таксама можна зняць магутнасны клапан з верхняй часткі впускного калектара, папярэдне адкруціўшы тры ніта яго мацавання (стрэлкі).

- Адкруціце ніты і гайкі мацавання ніжняй часткі впускного калектара ў паслядоўнасці, паказанай на малюнку, і зніміце ніжнюю частку впускного калектара.
Праверка
- Пратрыце ўсе спалучаныя паверхні знятых дэталяў ацэтонам або растваральнікам.
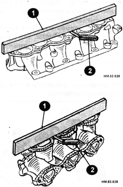
- З дапамогай праверачнай лінейкі (1) і набору плоскіх мацаў (2') праверце на дэфармацыю (коробление):

♦ паверхня спалучэння верхняй часткі впускнога калектара з ніжняй часткай впускнога калектара;

♦ паверхні спалучэння ніжняй часткі впускнога калектара з верхняй часткай впускнога калектара і з галоўкамі блока цыліндраў.
- Калі дэфармацыя перавышае 0,1 мм, то пашкоджаную дэталь неабходна замяніць на новую.
Увага: Шліфоўка спалучаных паверхняў недапушчальная, гэтак жа як і ўстаноўка дадатковых пракладак.
Ўстаноўка
Устаноўка ажыццяўляецца ў парадку, зваротным зняцці, з улікам наступнага:
Увага: Усе пракладкі неабходна замяніць на новыя, паўторна іх не выкарыстоўвайце.
Крыніца пазначана на старонцы: NISSANBOOK
- Калі здымаліся шпількі, усталюеце і зацягніце іх момантам 9,8-1 1,8 Н·м.
- Пакладзяце пракладкі на галоўкі блока цыліндраў і ўсталюеце ніжнюю частку впускного калектара.
- Зацягніце ўсе балты і гайкі мацавання патрабаваным момантам за два этапы ў паслядоўнасці, паказанай на малюнку:
♦ I этап: 4,9-9,8 Н·м;
♦ II этап: 26,5-31,4 Н·м.

- Пакладзяце пракладку верхняй часткі впускного калектара на ніжнюю частку впускного калектара.
- Усталюеце верхнюю частку трубы впускного калектара і зацягніце ніты мацавання ў паслядоўнасці, паказанай на малюнку момантам 17.6-21,6 Н·м.

- Усталюеце магутнасны клапан на верхнюю частку впускного калектара з новымі пракладкамі і зацягніце ніты мацавання момантам 17,6- 21,6 Н·м.
- Усталюеце впускную трубу верхняй часткі впускного калектара з новай пракладкай і зацягніце ніты мацавання крыж-накрыж, пачынальна з любога ніта момантам 17,6-21,6 Н·м.
- Усталюеце пракладку корпуса дросельнай засланкі так, каб тры ўсталявальных у ступа былі накіраваныя не ўверх і не ўніз.
- Усталюеце корпус дросельнай засланкі на верхнюю частку впускного калектара і зацягніце ніты мацавання крыж-накрыж, пачынальна з любога ніта момантам 7,2-9,6 Н·м.
- Правядзіце працэдуру навучання дросельнай засланкі ў закрытым становішчы пры адлучаным штэкеры джгута правадоў электрычнага выканаўчага механізму кіравання дросельнай засланкай.
- Пры замене электрычнага выканаўчага механізму кіравання дросельнай засланкай правядзіце працэдуру навучання аб'ёму паветра ў рэжыме халастога ходу і працэдуру навучання дросельнай засланкі ў зачыненым становішчы.